Tổ chức kế toán bán hàng và kết quả bán hàng trong doanh nghiệp

Chứng từ tài khoản kế toán sử dụng:

chứng từ chủ yếu sử dụng trong kế toán bán hàng.

  • hoá đơn gtgt.
  • hoá đơn kiêm phiếu xuất,
  • phiếu thu tiền mặt.
  • giấy báo có của ngân hàng.
  • bảng kê hàng hoá bán ra.
  • các chứng từ, bảng kê tính thuế..

* nhóm tài khoản sử dụng phản ánh doanh thu bán hàng và các khoản giảm trừ doanh thu bán hàng.

  • tk511 - doanh thu bán hàng và cung cấp dịch vụ, phản ánh doanh thu bán hàng và cung cấp dịch vụ của doanh nghiệp trong một kỳ hạch toán của hoạt động sản xuất kinh doanh.

+ nguyên tắc hạch toán vào tk 511.

- đối với sản phẩm, hàng hoá, dịch vụ không thuộc diện đối tượng chịuthuế gtgt theo phương pháp khấu trừ thì doanh thu bán hàng và cung cấp dịch vụ là giá bán chưa có thuế gtgt.

- đối với sản phẩm, hàng hoá, dịch vụ không thuộc diện đối tượng chịu thuế gtgt hoặc chịu thuế gtgt theo phương pháp trực tiếp thì doanh thu bán hàng và cung cấp dịch vụ là tổng giá thanh toán.

- đối với sản phẩm, hàng hoá, dịch vụ thuộc diện đối tượng chịu thuế ttđb hoặc thuế xuất khẩu thì doanh thu bán hàng và cung cấp dịch vụ là tổng giá thanh toán (bao gồm cả thuế ttđb,hoặc thuế xk).

- những doanh nghiệp nhận gia công, vật tư, hàng hoá thì chỉ phản ánh vào doanh thu bán hàng và cung cấp dịch vụ, số tiền gia công được hưởng không bao gồm giá trị vật tư, hàng hoá nhận gia công.

- đối với hàng hoá nhận bán đại lý, ký gửi theo phương thức bán đúng giá hưởng hoa hồng thì hạch toán vào doanh thu bán hàng và cung cấp dịch vụ phần hoa hồng bán hàng mà doanh nghiệp được hưởng.

- trường hợp bán hàng theo phương thức trả chậm, trả góp thì doanh nghiệp ghi nhận doanh thu bán hàng theo giá bán trả ngay và ghi nhận vào doanh thu hoạt động tài chính, phần lãi tính trên khoản phải trả nhưng trả chậm phù hợp với thời điểm ghi nhận doanh thu được xác định.

- trường hợp trong kỳ doanh nghiệp đã viết hoá đơn bán hàng và đã thu tiền bán hàng nhưng đến cuối kỳ vẫn chưa giao hàng cho người mua hàng, thì trị giá số hàng này không được coi là tiêu thụ và không được hạch toán vào tk511. mà chỉ hạch toán vào bên có tk131 về khoản tiền đã thu của khách hàng , khi thực hiện giao hàng cho người mua sẽ hạch toán vào tk511 về giá trị hàng đã giao, đã thu trước tiền bán hàng, phù hợp với điều kiện ghi nhận doanh thu.

- tk512- doanh thu bán hàng nội bộ: dùng để phản ánh doanh thu của sản phẩm, hàng hoá, lao vụ,dịch vụ tiêu thụ giữa các đơn vị trực thuộc trogn cùng một công ty.

- tk521 - chiết khấu thương mại. phản ánh số tiền doanh nghiệp giảm giá cho khách hàng mua với số lượng lớn.

+ nguyên tắc hạch toán vào tk521.

chỉ hạch toán vào tài khoản này khoản chiết khấu thương mại người mua được hưởng đã thực hiện trong kỳ theo đúng chính sách chiết khấu thương mại của doanh nghiệp đã quy định.

- trường hợp người mua hàng nhiều lần mới đạt lượng hàng mua được hưởng chiết khấu thì khoản chiết khấu thương mại này được giảm trừ vào giá bán trên "hoá đơn gtgt" hoặc "hoá đơn bán hàng" lần cuối cùng.

- trường hợp khách hàng không trực tiếp mua hàng, hoặc khi số tiền chiết khấu thương mại cho người mua. khoản chiết khấu thương mại trong các trường hợp này được hạch toán vào tk521.

- trường hợp người mua hàng với khối lượng lớn được hưởng chiết khấu thương mại , giá bán phản ánh trên hoá đơn là giá đã giảm (đã trừ chiết khấu thương mại) thì khoản chiết khấu thương mại này không được hạch toán vào tk521. doanh thu bán hàng đã phản ánh theo giá đã trừ chiết khấu thương mại.

- tk531 - hàng bán bị trả lại. phản ánh doanh thu của số thành phẩm hàng bán đã tiêu thụ trong kỳ nhưng bị khách hàng trả lại do các nguyên nhân lỗi thuộc về doanh nghiệp.

+nguyên tắc hạch toán vào tk531:

- chỉ hạch toán vào tk này giá trị hàng bán bị khách hàng trả lại do doanh nghiệp vi phạm các điều kiện đã cam kết trong hợp đồng kinh tế như: hàng kém phẩm chất,sai quy cách, chủng loại. đồng thời hàng bán bị trả lại phải có văn bản đề nghị của người mua ghi rõ lý do trả lại hàng, số lượng hàng bị trả lại, giá trị hàng bị trả lại đính kèm hoá đơn (nếu trả lại toàn bộ) hoặc bản sao hoá đơn (nếu trả lại một phần).

- tk532 - giảm giá hàng bán; được dùng để phản ánh các khoản giảm bớt giá cho khách hàng do thành phẩm, hàng hoá kém chất lượng, không đạt yêu cầu của khách hàng.

+ nguyên tắc hạch toán vào tk532.

- chỉ hạch toán vào tk này khoản giảm giá hàng bán, các khoản giảm trừ do việc chấp thuận giảm giá ngoài hoá đơn, tức là sau khi đã phát hành hoá đơn bán hàng, không phản ánh vào tk532 số giảm giá đã được ghi trên hoá đơn bán hàng và đã được trừ vào tổng giá bán ghi trên hoá đơn.

- tk131 - phải thu của khách hàng . phản ánh các khoản phải thu của khách hàng về hoạt động tiêu thụ hàng hoá và tình hình thanh toán các khoản phải thu.

- tk 333 - thuế và các khoản phải nộp; phản ánh tình hình thanh toán với nhà nước về thuế và các khoản có nghĩa vụ khác.tài khoản này có các tk cấp 2 sau:

- tk3331: thuế gtgt phải nộp.

- tk3332 : thuế ttđb.

- tk3331: thuế xnk.

- tk3387 - doanh thu chưa thực hiện : phản ánh khoản tiền mà doanh nghiệp nhận trước cho nhiều kỳ, nhiều năm như lãi vay vốn, khoản lãi bán hàng trả góp.

* nhóm tk sử dụng để kế toán giá vốn hàng bán:

-tk632 - giá vốn hàng bán. phản ánh giá vốn của thành phẩm, hàng hoá xuất bán đã được chấp nhận thanh toán hoặc đã được thanh toán, các khoản được quy định tính vào giá vốn hàng bán và kết chuyển trị giá vốn hàng bán để xác định kết quả.

- tk155 - thành phẩm.phản ánh số hiện có và tình hình tăng giảm thành phẩm theo trị giá thực tế.

- tk157 - hàng gửi đi bán .phản ánh trị giá thành phẩm hoàn thành đã gửi bán cho khách hàng hoặc nhờ bán đại lý, ký gửi nhưng chưa được chấp nhận thanh toán.

nếu doanh nghiệp kế toán hàng tồn kho theo phương pháp kiểm kê định kỳ thì tk155, tk157 chỉ sử dụng để phản ánh giá trị vốn của thành phẩm và hàng gửi bán tồn kho đầu kỳ và cuối kỳ. còn việc nhập, xuất kho của thành phẩm phản ánh trên tk632.

*nhóm tài khoản sử dụng để kế toán chi phí bán hàng và chi phí quản lý doanh nghiệp:

- tk641 - chi phí bán hàng . dùng để tập hợp và kết chuyển chi phí bán hàng thực tế phát sinh trong kỳ để xác định kết quả kinh doanh.

- tk642 - chi phí quản lý doanh nghiệp.dùng để tập hợp và kết chuyển chi phí quản lý kinh doanh, quản lý hành chính và chi phí khác liên quan đến hoạt động chung của doanh nghiệp.

* nhóm tài khoản sử dụng để kế toán kết quả bán hàng:

- tk911 - xác định kết quả kinh doanh. phản ánh xác định kết quả hoạt động sản xuất kinh doanh và các hoạt động khác cuả doanh nghiệp trong một kỳ hạch toán.

- tk421 - lợi nhuận chưa phân phối. phản ánh kết quả hoạt động kinh doanh và tình hình phân phối, xử lý kết quả kinh doanh của doanh nghiệp.

ngoài các tài khoản chủ yếu trên kế toán bán hàng và kết quả bán hàng còn sử dụng các tài khoản liên quan như:tk111,112....

Trình tự kế toán bán hàng và xác định kết quả bán hàng.

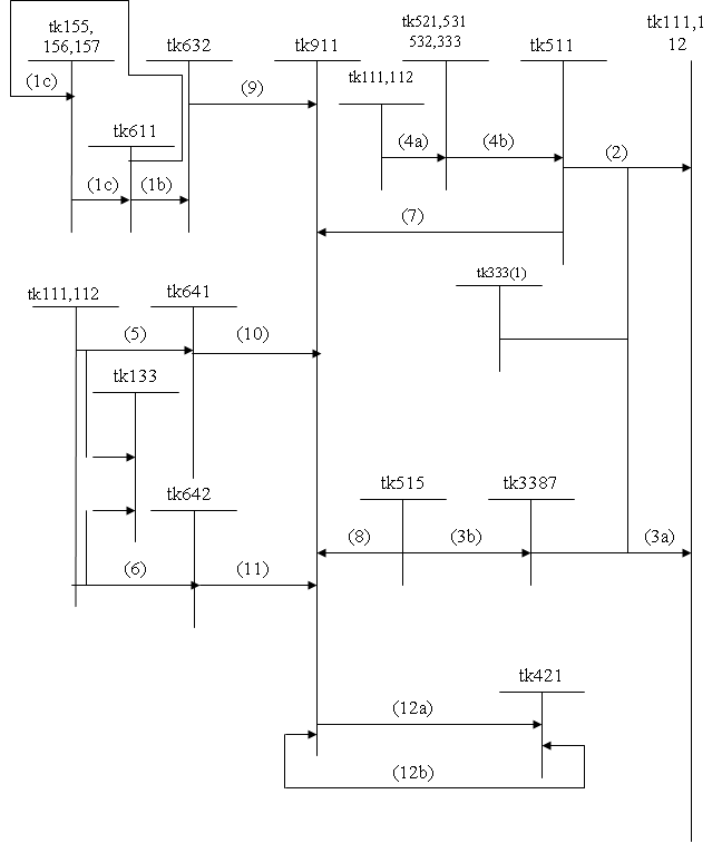
sơ đồ 1.1. trình tự kế toán bán hàng và xác định kết quả bán hàng (trường hợp doanh nghiệp kế toán bán hàng tồn kho theo phương pháp kê khai thường xuyên

diễn giải trình tự sơ đồ1.1 như sau:

(1a) phản ánh trị giá vốn của hàng hoá đã tiêu thụ trong kỳ theo phương thức bán hàng trực tiếp.

(1b) khi đưa hàng đi gửi đại lý.

(1c) phản ánh trị giá vốn của hàng hoá đã tiêu thụ trong kỳ theo phương thức gửi hàng.

  1. bán hàng thu tiền ngay.

(3a) bán theo phương thức trả góp.

(3b) kỳ kết chuyển tiền lãi bán hàng trả góp.

(4a) các khoản chiết khấu thương mại , giảm giá hàng bán, hàng bán bị trả lại thực tế phát sinh.

(4b) các khoản chiết khấu thương mại , giảm giá hàng bán, hàng bán bị trả lại sang tk511 để xác định doanh thu thuần.

(5) tập hợp chi phí bán hàng phát sinh trong kỳ.

(6) tập hợp chi phí quản lý doanh nghiệp phát sinh trong kỳ.

(7) cuối kỳ kết chuyển doanh thu thuần để xác định kết quả.

(8) cuối kỳ kết chuyển doanh thu hoạt động tài chính để xác định kết quả.

(9) cuối kỳ kết chuyển trị giá vốn hàng tiêu thụ sang tk911.

(10) cuối kỳ kết chuyển chi phí bán hàng sang tk911.

(11) cuối kỳ kết chuyển chi phí quản lý doanh nghiệp sang tk911.

(12a) kết chuyển lỗ.

(12b) kết chuyển lãi.

chú ý : trong trường hợp doanh nghiệp tính thuế gtgt theo phương pháp trực tiếp thì doanh thu bán hàng là doanh thu bao gồm cả thuế gtgt (tổng giá thanh toán). khi đó để ghi nhận doanh thu bán hàng, kế toán ghi như sau:

nợ tk111,112

có tk511 - tổng giá thanh toán.

cuối kỳ xác định số thuế gtgt đầu ra.

nợ tk511

có tk333(1) - số thuế gtgt

các nghiệp vụ khác vẫn tương tự như trường hợp doanh nghiệp tính thuế theo phương pháp khấu trừ thuế.

sơ đồ 1.2 : trình tự kế toán bán hàng và kết quả bán hàng( trường hợp doanh nghiệp kế toán hàng tồn kho theo phương pháp kiểm kê định kỳ).

diễn giải trình tự kế toán sơ đồ 1.2 như sau:

(1a) đầu kỳ kết chuyển trị giá vốn hàng tồn kho đầu kỳ.

(1b) kết chuyển giá vốn hàng bán được tiêu thụ trong kỳ.

(1c) cuối kỳ kết chuyển trị giá vốn hàng tồn kho cuối kỳ.

(2) bán hàng thu tiền ngay.

(3a) hàng kỳ kết chuyển tiền lãi bán hàng trả góp.

(3b) hàng kỳ kết chuyển tiền lãi bán hàng trả góp.

(4a) các khoản chiết khấu thương mại, giảm giá hàng bán, hàng bán bị trả lại thực tế bị phát sinh.

(4b) kết chuyển các khoản chiết khấu thương mại, giảm giá hàng bán, hàng bán bị trả lại sang tk 511 để xác định doanh thu thuần.

(5) tập hợp chi phí bán hàng phát sinh trong kỳ.

(6) tập hợp chí phí quản lý doanh nghiệp phát sinh trong kỳ.

(7) cuối kỳ kết chuyển doanh thu thuần để xác định kết quả.

(8) cuối kỳ kết chuyển doanh thu hoạt động tài chính để xác định kết quả.

(9) cuối kỳ kết chuyển trị giá hàng bán sang tk911

(10) cuối kỳ kết chuyển chi phí bán hàng sang tk911

(11) cuối kỳ kết chuyển chi phí quản lý doanh nghiệp sang tk 911

(12a) kết chuyển lỗ.

(12b) kết chuyển lãi

Sổ và báo cáo kế toán sử dụng

tuỳ thuộc từng hình thức kế toán áp dụng ở doanh nghiệp mà hệ thống sổ kế toán được mở để ghi chép, theo dõi, tính toán xử lý và tổng hợp số liệu lên các báo cáo kế toán. dưới đây là các loại sổ sách được tổ chức theo 4 hình thức kế toán.

* hình thức sổ kế toán nhật ký chung:

+ kế toán sử dụng các loại sổ chủ yếu sau:

sổ nhật ký chung: sổ ghi phản ánh toàn bộ các nghiệp vụ kinh tế tài chính phát sinh theo trật tự thời gian phát sinh của chúng.

- sổ nhật ký bán hàng, sổ nhật ký thu tiền, nhật ký tiền gửi ngân hàng...

- sổ cái: tk 511, tk632, tk641, tk911...

- sổ chi tiết: tk511, tk632, tk641, tk642...

* hình thức sổ kế toán chứng từ ghi sổ:

+ kế toán sử dụng các loại sổ chủ yếu sau:

- sổ đăng ký chứng từ ghi sổ: ghi theo trật tự thời gian các nghiệp vụ kinh tế tài chính phát sinh đã lập chứng từ ghi sổ.

sổ cái: tk511, tk632, tk641, tk911...

sổ chi tiết: tk511, tk632, tk641, tk642...

*hình thức sổ kế toán nhật ký sổ cái:

+ kế toán sử dụng các loại sổ chủ yếu sau:

- nhật ký sổ cái: sổ này phản ánh tất cả các nghiệp vụ kinh tế tài chính phát sinh theo trật tự thời gian.

*hình thức sổ kế toán nhật ký chứng từ:

kế toán phản ánh tình hình tiêu thụ thành phẩm và xác định kết quả bán hàng trên các sổ sau:

  • bảng kê số5: tập hợp cpbh, cpqldn.
  • bảng kế số 6: bảng kê chi phí trả trước và chi phí phải trả.
  • bảng kê số 10: hàng gửi bán.
  • bảng kê số 11: phải thu của khách hàng.
  • nhật ký chứng từ số 8, nhật ký chứng từ số 10.
  • các sổ chi tiết liên quan tk641, tk642, tk 511, tk911 và các sổ liên quan...
  • để cung cấp các thông tin kinh tế tài chính tổng hợp phục vụ yêu cầu quản trị doanh nghiệp và cho các đối tượng có liên quan doanh nghiệp phải lập các báo cáo kế toán theo qui định của nhà nước, các báo cáo sử dụng trong kế toán bán hàng và kết quả bán hàng là:
  • báo cáo kết quả kinh doanh .
  • báo cáo theo chỉ tiêu,doanh thu, chi phí.
  • báo cáo tình hình thực hiện kế hoạch.

- báo cáo kế toán quản trị...