biến đổi và chuyển vị nguồn
các phương pháp biến đổi và chuyển vị nguồn nhằm mục đích sửa soạn mạch cho việc phân giải được dễ dàng. mạch sau khi biến đổi hoặc phải đơn giản hơn hoặc thuận tiện hơn trong việc áp dụng các phương trình mạch điện .
.biến đổi nguồn
nguồn hiệu thế nối tiếp và nguồn dòng điện song song (h 3.17).
(h 3.17)
nguồn hiệu thế song song và nguồn dòng điện nối tiếp.
ta phải có: v1 = v 2 và i1 = i2.
(h 3.18)
nguồn hiệu thế song song với điện trở và nguồn dòng điện nối tiếp điện trở : có thể bỏ điện trở mà không ảnh hưởng đến mạch ngoài.
(h 3.19)
nguồn hiệu thế mắc nối tiếp với điện trở hay nguồn dòng mắc song song với điện trở. ta có thể dùng biến đổi thevenin norton để biến đổi nguồn hiệu thế thành nguồn dòng điện hay ngược lại cho phù hợp với hệ phương trình sắp phải viết.
(h 3.20)
chuyển vị nguồn :
khi gặp 1 nguồn hiệu thế không có điện trở nối tiếp kèm theo hoặc 1 nguồn dòng điện không có điện trở song song kèm theo, ta có thể chuyển vị nguồn trước khi biến đổi chúng. trong khi chuyển vị, các định luật kcl và kvl không được vi phạm.
chuyển vị nguồn hiệu thế :
(h 3.21) cho ta thấy một cách chuyển vị nguồn hiệu thế . ta có thể chuyển một nguồn hiệu thế " xuyên qua một nút " tới các nhánh khác nối với nút đó và nối tắt nhánh có chứa nguồn ban đầu mà không làm thay đổi phân bố dòng điện của mạch, mặc dù có sự thay đổi về phân bố điện thế nhưng định luật kvl viết cho các vòng của mạch không thay đổi. hai mạch hình 3.21a và 3.21b tương đương với nhau.
(a) (b)
(h 3.21)
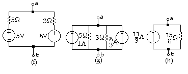
thí dụ 3.9: ba mạch điện của hình 3.22 tương đương nhau:
(h 3.22)
chuyển vị nguồn dòng điện:
nguồn dòng điện i mắc song song với r1 và r2 nối tiếp trong mạch hình 3.23a được chuyển vị thành hai nguồn song song với r1 và r2 hình 3.23b.
(h 3.23)
định luật kcl ở các nút a, b, c của các mạch (h 3.23) cho kết quả giống nhau.
hoặc một hình thức chuyển vị khác thực hiện như ở (h 3.24a) và (h 3.24b). định luật kcl ớ các nút của hai mạch cũng giống nhau, mặc dù sự phân bố dòng điện có thay đối nhưng hai mạch vẫn tương đương .
(a) (h 3.24) (b)
thí dụ 3.10: tìm hiệu thế giữa a b của các mạch hình 3.25a
(a) (b) (c)
(h 3.25)
suy ra
tóm lại, khi giải mạch bằng các phương trình vòng hoặc nút chúng ta nên sửa soạn các mạch như sau:
- nếu giải bằng phương trình nút, biến đổi để chỉ có các nguồn dòng điện trong mạch.
- nếu giải bằng phương trình vòng, biến đổi để chỉ có các nguồn hiệu thế trong mạch.
bài tập
--o0o--
dùng phương trình nút, tìm v1 và v2 của mạch (h p3.1)
dùng phương trình nút , tìm i trong mạch (h p3.2).
(h p3.1) (h p3.2)
dùng phương trình nút tìm v và i trong mạch (h p3.3).
dùng phương trình nút, tìm v trong mạch (h p3.4)
(h p3.3) (h p3.4)
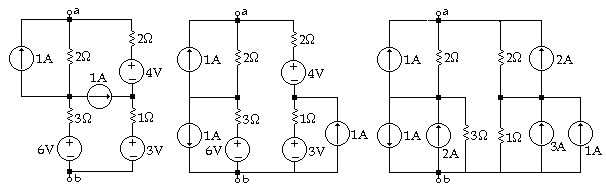
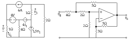
dùng phương trình nút, tìm v và v1 trong mạch (h p3.5)
cho vg = 8cos3t (v), tìm vo trong mạch (h p3.6)
(h p3.5) (h p3.6)
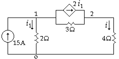
tìm v trong mạch (h p3.7), dùng phương trình vòng hay nút sao cho có ít phương trình nhất.
(h p3.7)
tìm rin theo các r, r2, r3 mạch (h p3.8).
cho r1 = r3 = 2kôm. tìm r2 sao cho rin = 6kôm và rin = 1kôm
(h p3.8)
cho mạch khuếch đại vi sai (h p3.9)
- tìm vo theo v1, v2, r1, r2, r3, r4.
- tìm liên hệ giữa các điện trở sao cho: 
10. tìm hiệu thế v ngang qua nguồn dòng điện trong mạch (h p3.10) bằng cách dùng phương trình vòng rồi phương trình nút.
(h p3.9) (h p3.10)
tính độ lợi dòng điện của mạch (h p.11) trong 2 trường hợp.
a. r2 = 0ôm
b. r2 = 1ôm
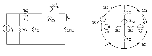
tìm ix trong mạch (h p.12)
(h p.11) (h p.12)