phương trình vòng
mạch có b nhánh, n nút có thể viết l = b - n + 1 phương trình vòng độc lập . mọi dòng điện có thể tính theo l dòng điện độc lập này.
mạch chỉ chứa điện trở và nguồn hiệu thế
nguồn hiệu thế độc lập :
nếu mạch chỉ chứa nguồn hiệu thế độc lập, các hiệu thế chưa biết đều có thể tính theo l dòng điện độc lập.
áp dụng kvl cho l vòng độc lập (hay l mắt lưới) ta được l phương trình gọi là hệ phương trình vòng. giải hệ phương trình ta được các dòng điện vòng rồi suy ra các hiệu thế nhánh từ hệ thức v - i.
thí dụ 3.6: tìm các dòng điện trong mạch (h 3.12a).
(a) (b) (c)
(h 3.12)
mạch có n = 5 và b = 6
vậy l = b - n + 1 = 2
chọn cây gồm các đường liền nét (h 3.12b). các vòng có được bằng cách thêm các nhánh nối 1 và 2 vào cây.
dòng điện i1 và i2 trong các nhánh nối tạo thành tập hợp các dòng điện độc lập. các dòng điện khác trong mạch có thể tính theo i1 và i2.
mặt khác, thay vì chỉ rõ dòng điện trong mỗi nhánh, ta có thể dùng khái niệm dòng điện vòng. đó là dòng điện trong nhánh nối ta tưởng tượng như chạy trong cả vòng độc lập tạo bởi các cành của cây và nhánh nối đó (h 3.12c).
viết kvl cho mỗi vòng:

thu gọn:

giải hệ thống ta được :
i1 = 8a và i2 = 2a
dòng qua điện trở 6ôm: i1 - i2 = 6 (a)
thiết lập phương trình vòng cho trường hợp tổng quát
coi mạch chỉ chứa điện trở và nguồn hiệu thế độc lập , có l vòng.
gọi ij, ik ...là dòng điện vòng của vòng j, vòng k ...tổng hiệu thế ngang qua các điện trở chung của vòng j và k luôn có dạng:

dấu (+) khi ij và ik cùng chiều và ngược lại.
rjk là tổng điện trở chung của vòng j và vòng k. ta luôn luôn có:
rjk = rkj
vj là tổng đại số các nguồn trong vòng j, các nguồn này có giá trị (+) khi tạo ra dòng điện cùng chiều ij ( chiều của vòng ).
áp dụng kvl cho vòng j:

hay 

đặt 

đối với mạch có l vòng độc lập :
vòng 1 : r11i1 + r12i2 + . . . . r1lil = v1
vòng 2 : r21i1 + r22i2 + . . . . r2lil = v2
: : : : :
: : : : :
vòng l: rl1i1 + rl2i2 + . . . . rllil = vl
dưới dạng ma trận
hệ phương trình vòng viết dưới dạng vắn tắt:
[r] .[i] = [v] (3.13)
[r]: gọi là ma trận điện trở vòng độc lập. các phần tử trên đường chéo chính luôn luôn dương, các phần tử khác có trị dương khi 2 dòng điện vòng chạy trên nó cùng chiều, có trị âm khi 2 dòng điện vòng ngược chiều. các phần tử này đối xứng qua đường chéo chính.
[i] : ma trận dòng điện vòng
[v]: ma trận hiệu thế vòng
trở lại thí dụ 3.6 ta có thể viết hệ phương trình vòng một cách trực quan với các số liệu sau:
r11 = 3 + 6 = 9 ôm,
r22 = 2 + 4 + 6 = 12 ôm,
r21 = r12 = - 6 ôm,
v1 = 60 v
và
v 2 = - 24 (v)
nguồn hiệu thế phụ thuộc
nếu mạch có chứa nguồn hiệu thế phụ thuộc, trị số của nguồn này phải được tính theo các dòng điện vòng. trong trường hợp này ma trận điện thế mất tính đối xứng.
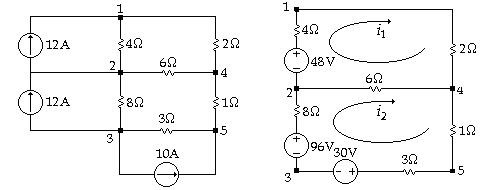
thí dụ 3.7 tính i trong mạch (h 3.13)
(h 3.13)
viết phương trình vòng cho các vòng trong mạch
6i1- 2 i+ 4i2=15 (1)
4i1+ 2 i+ 6i2= 2 i (2)
-2i1+ 8 i+ 2i2=0 (3)
(2) cho (4)
(3) cho
thay (5) vào (1)
11i1+ 9i2=30 (6)
thay (4) vào (6) ta được
i2=- 4 a
i1= 6 a
vài = 2,5 (a)
mạch chứa nguồn dòng điện
nguồn dòng điện độc lập
nếu một nhánh của mạch là một nguồn dòng điện độc lập, hiệu thế của nhánh này khó có thể tính theo dòng điện vòng như trước. tuy nhiên nếu một dòng điện vòng duy nhất được vẽ qua nguồn dòng điện thì nó có trị số của nguồn này và chỉ còn (l-1) ẩn số thay vì l (bằng cách không chọn nhánh có chứa nguồn dòng làm cành của cây).
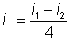
thí dụ 3.8: tính dòng điện qua điện trở 2ôm trong mạch (h3.14a)
(a) (h 3.14) (b)
mạch có b = 8, n = 5, cây có 4 nhánh và 4 vòng độc lập .
chọn cây như (h 3.14b) (nét liền), cành của cây không là nhánh có chứa nguồn dòng độc lập.
ta có:
i3 = 10 a và i4 = 12 a
viết phương trình vòng cho hai vòng còn lại.
vòng 1: ( 4 + 6 + 2 )i1 - 6i2 - 4i4 = 0 (1)
vòng 2: - 6i1 + 18i2 + 3i3 - 8i4 = 0 (2)
thay i3 = 10 a và i4 = 12 a vào (1) và (2)
12i1 - 6i2 = 48
- 6i1 + 18i2 = 66
suy ra i1 = 7 (a)
thí dụ trên cho thấy ta vẫn có thể viết được hệ phương trình vòng cho mạch chứa nguồn dòng điện độc lập. tuy nhiên ta cũng có thể biến đổi và chuyển vị nguồn (nếu cần) để có mạch chứa nguồn hiệu thế và như vậy việc viết phương trình một cách trực quan dễ dàng hơn.
mạch ở (h 3.14a) có thể chuyển dời và biến đổi nguồn để được mạch (h 3.15) dưới đây.
(a) (h 3.15) (b)
với mạch (h 3.15b), ta viết hệ phương trình vòng.
vòng 1: 12i1 - 6i2 = 48
vòng 2: - 6i1 + 18i2 = 96 - 30
ta được lại kết quả trước.
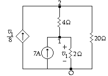
nguồn dòng điện phụ thuộc
tìm v1 trong mạch (h 3.16)
(a) (b) (c)
(h 3.16)
mạch có b = 5, n = 3 cây có hai cành và 3 vòng độc lập .
chọn cây là đường liền nét của (h 3.16b). các nguồn dòng điện ở nhánh nối
viết phương trình cho vòng 3
26i3 + 20i2 + 24i1 = 0 (1)
với i1 = 7a và
thay (2) vào (1)