Định lý chồng chất ( superposition theorem)
Định lý chồng chất là kết quả của tính chất tuyến tính của mạch: Đáp ứng đối với nhiều nguồn độc lập là tổng số các đáp ứng đối với mỗi nguồn riêng lẻ. Khi tính đáp ứng đối với một nguồn độc lập, ta phải triệt tiêu các nguồn kia (Nối tắt nguồn hiệu thế và để hở nguồn dòng điện, tức cắt bỏ nhánh có nguồn dòng điện), riêng nguồn phụ thuộc vẫn giữ nguyên.
Thí dụ 2.6
Tìm hiệu thế v2 trong mạch (H 2.13a).
(a) (b) (c)
(H 2.13)
- Cho nguồn i3 = 0A (để hở nhánh chứa nguồn 3A), ta có mạch (H 2.13b):

- Cho nguồn v1 = 0V (nối tắt nhánh chứa nguồn 3V), mạch (H 2.13c).
Dòng điện qua điện trở 6: 
Vậy
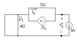
Thí dụ 2.7 Tính v2 trong mạch (H 2.14a).
(a) (b)
(c)
(H 2.14)
Giải:
- Cắt nguồn dòng điện 3A, ta có mạch(H 2.14b).
- Nối tắt nguồn hiệu thế 2 V, ta có mạch (H 2.14c).
Điện trở 4 bị nối tắt nên i1 = 0 A
Vậy
