Định lý Thevenin và Norton
Định lý này cho phép thay một phần mạch phức tạp bằng một mạch đơn giản chỉ gồm một nguồn và một điện trở.
Một mạch điện giả sử được chia làm hai phần (H 2.15)
(H 2.15)
Định lý Thevenin và Norton áp dụng cho những mạch thỏa các điều kiện sau:
* Mạch A là mạch tuyến tính, chứa điện trở và nguồn.
* Mạch B có thể chứa thành phần phi tuyến.
* Nguồn phụ thuộc, nếu có, trong phần mạch nào thì chỉ phụ thuộc các đại lượng nằm trong phần mạch đó.
Định lý Thevenin và Norton cho phép chúng ta sẽ thay mạch A bằng một nguồn và một điện trở mà không làm thay đổi hệ thức v - i ở hai cực a & b của mạch .
Trước tiên, để xác định mạch tương đương của mạch A ta làm như sau: Thay mạch B bởi nguồn hiệu thế v sao cho không có gì thay đổi ở lưỡng cực ab (H2.16).
(H 2.16)
Áp dụng định lý chồng chất dòng điện i có thể xác địnhbởi:
i = i1 + isc (2.8)
Trong đó i1 là dòng điện tạo bởi nguồn và mạch A đã triệt tiêu các nguồn độc lập (H2.17a) và isc là dòng điện tạo bởi mạch A với nguồn v bị nối tắt (short circuit, sc) (H2.17b).
(a) (H 2.17) (b)
- Mạch thụ động A, tương đương với điện trở Rth, gọi là điện trở Thevenin, xác định bởi:

Thay (2.9) vào (2.8)

Hệ thức (2.10) diễn tả mạch A trong trường hợp tổng quát nên nó đúng trong mọi trường hợp.
Trường hợp a, b để hở (Open circuit), dòng i = 0 A, phương trình (2.10) thành:

Thay (2.11) vào (2.10):
v = - Rth . i + voc (2.12)
Hệ thức (2.12) và (2.10) cho phép ta vẽ các mạch tương đương của mạch A (H 2.18) và (H 2.19)
(H 2.18) (H 2.19)
* (H 2.18) được vẽ từ hệ thức (2.12) được gọi là mạch tương đương Thevenin của mạch A ở (H 2.15). Và nội dung của định lý được phát biểu như sau:
Một mạch lưỡng cực A có thể được thay bởi một nguồn hiệu thế voc nối tiếp với một điện trở Rth. Trong đó voc là hiệu thế của lưỡng cực A để hở và Rth là điện trở nhìn từ lưỡng cực khi triệt tiêu các nguồn độc lập trong mạch A (Giữ nguyên các nguồn phụ thuộc).
Rth còn được gọi là điện trở tương đương của mạch A thụ động.
* (H 2.19) được vẽ từ hệ thức (2.10) được gọi là mạch tương đương Norton của mạch A ở (H 2.15). Và định lý Norton được phát biểu như sau:
Một mạch lưỡng cực A có thể được thay thế bởi một nguồn dòng điện i sc song song với điện trở R th . Trong đó i sc là dòng điện ở lưỡng cực khi nối tắt và R th là điện trở tương đương mạch A thụ động.
Thí dụ 2.8
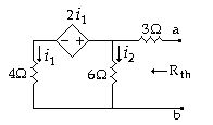
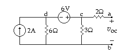
Vẽ mạch tương đương Thevenin và Norton của phần nằm trong khung của mạch (H2.20).
(H 2.20)
Giải:
Để có mạch tương đương Thevenin, ta phải xác định được Rth và voc.
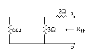
- Xác định Rth
Rth là điện trở nhìn từ ab của mạch khi triệt tiêu nguồn độc lập. (H 2.21a).
Từ (H 2.21a) :
Rth = 2 + = 4
(a) (b)
(H 2.21)
Xác định voc
voc là hiệu thế giữa a và b khi mạch hở (H 2.21b). Vì a, b hở, không có dòng qua điện trở 2 nên voc chính là hiệu thế vcb. Xem nút b làm chuẩn ta có
vd = - 6 + vc = - 6 + voc
Đ/L KCL ở nút b cho :
Suy ra voc = 6 V
Vậy mạch tương đương Thevenin (H2.22)
(H 2.22) (H 2.23)
Để có mạch tương đương Norton, Rth đã có, ta phải xác định isc. Dòng isc chính là dòng qua ab khi nhánh này nối tắt. Ta có thể xác định từ mạch (H 2.20) trong đó nối tắt ab. Nhưng ta cũng có thể dùng hệ thức (2.11) để xác định isc theo voc:

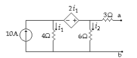
Thí dụ 2.9
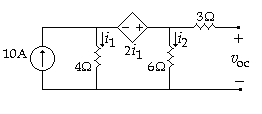
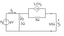
Vẽ mạch tương đương Norton của mạch (H 2.24a).
(a)
(b) (c)
(H 2.24)
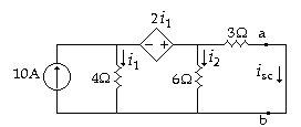
Ta tìm isc từ mạch (H 2.24c)
KCL ở nút b cho:
i1 = 10 - i2 - isc
Viết KVL cho 2 vòng bên phải:
-4(10 - i2 - isc) - 2i1 + 6i2 = 0
- 6i2 + 3isc = 0
Giải hệ thống cho isc = 5A
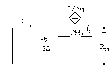
Để tính Rth ở (H 2.24b), do mạch có chứa nguồn phụ thuộc, ta có thể tính bằng cách áp vào a,b một nguồn v rồi xác định dòng điện i, để có Rth = v/i ( điện trở tương đương ).
Tuy nhiên, ở đây ta sẽ tìm voc ở ab khi a,b để hở (H 2.25).
(H 2.25)
Ta có voc = 6i2
Viết định luật KVL cho vòng chứa nguồn phụ thuộc :
-4(10 - i2) - 2 i1+ 6i2 = 0
Hay i2 = 5 A
và voc = 6 x 5 = 30 V
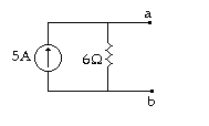
Vậy

(H 2.26)
Thí dụ 2.10:
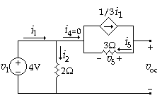
Tính vo trong mạch (H 2.27a) bằng cách dùng định lý Thevenin
(a) (b)
(c) (H 2.27) (d)
Để có mạch thụ động, nối tắt nguồn v1 nhưng vẫn giữ nguồn phụ thuộc 1/3 i1, ta có mạch (H 2.27c). Mạch này giống mạch (H 2.10) trong thí dụ 2.4; Rth chính là Rtđ trong thí dụ 2.4.
Để tính voc, ta có mạch (H2.27b)
voc = v5 + v1
v5 = 3i5
i4 = 0 A ( mạch hở ) nên:
Mạch tương đương Thevenin vẽ ở (H 2.27d).
và 